Jy系列單相電容起動異步電動機,適用于要求起動轉矩較大,而對起動電流又有一定限制的場合可廣泛用于空氣壓縮機,電冰箱,醫(yī)療器械及各種需要滿載起動的小型機械。
本系列電 動機為全封閉扇式,有09,1,2三個機座號。根據需可制鑄鋁或鑄鐵兩種外殼。
| 機座號 | 型號 | 功率 | 轉速 r/min |
效率 % |
功率因數 | 堵轉轉矩 額定轉矩 |
最大轉矩 額定轉矩 |
|
| HP | Kw | |||||||
| 2 | JY2A-2 | 1.5 | 1.1 | 2850 | 0.77 | 71 | 2-3.5 | 1.8-2 |
| JY2B-2 | 1 | 0.75 | 2850 | 0.75 | 70 | 2-3.5 | 1.8-2 | |
| JY2A-4 | 1 | 0.75 | 1400 | 0.68 | 69 | 2-3.5 | 1.8-2 | |
| JY2B-4 | 3/4 | 0.55 | 1400 | 0.68 | 67 | 2-3.5 | 1.8-2. | |
| 1 | JY1A-2 | 3/4 | 0.55 | 2800 | 0.72 | 66 | 2-3.5 | 1.8-2 |
| JY1B-2 | 1/2 | 0.37 | 2800 | 0.72 | 66 | 2-3.5 | 1.8-2 | |
| JY1A-4 | 1/2 | 0.37 | 1400 | 0.62 | 64 | 2-3.5 | 1.8-2 | |
| JY1B-4 | 1/3 | 0.25 | 1400 | 0.62 | 60 | 2-3.5 | 1.8-2 | |
| 09 | JY09A-2 | 1/3 | 0.25 | 2800 | 0.72 | 63 | 2-3.5 | 1.8-2 |
| JY09B-2 | 1/4 | 0.18 | 2800 | 0.72 | 60 | 2-3.5 | 1.8-2 | |
| JY09A-4 | 1/4 | 0.18 | 1400 | 0.62 | 56 | 2-3.5 | 1.8-2 | |
注:本系列電動機按220V/110V, 50Hz設計,根據用戶需要可按230V, 50Hz,220V/110V, 60Hz設計。

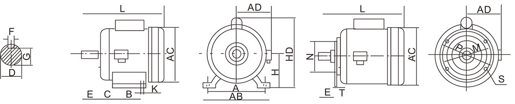
| 機座號 | 安裝尺寸 | 外形尺 | ||||||||||||||||||
| A | B | C | D | E | F | G | H | K | M | N | P | R | S | T | AB | AC | AD | HD | L | |
| 2 | 160 | 112 | 63 | 19 | 40 | 6 | 21.5 | 100 | 12 | 115 | 95 | 140 | 0 | M8 | 3 | 190 | 190 | 128 | 246 | 330 |
| 1 | 140 | 100 | 56 | 16 | 40 | 5 | 18 | 90 | 10 | 100 | 80 | 120 | 0 | M8 | 3 | 176 | 176 | 121 | 220 | 268 |
| 09 | 125 | 100 | 50 | 14 | 30 | 4 | 15.5 | 80 | 10 | 85 | 70 | 105 | 0 | M8 | 3 | 156 | 156 | 108 | 190 | 258 |
| 機座號 | 基本安裝結構 | 派生的安裝形式 | |||||||||||||
| V3 | V5 | V6 | B6 | B7 | B8 | V15 | V36 | B14 | B34 | V18 | |||||
| 63~112 | √ | √ | √ | √ | √ | √ | √ | √ | √ | √ | √ | ||||
| 132~160 | √ | √ | √ | √ | √ | √ | √ | √ | - | - | - | ||||
| 180~280 | - | - | - | - | - | - | - | - | - | - | - | ||||
| 315~355 | - | √ | - | - | - | - | - | - | - | - | - | ||||
注“√”表示可以制造生產的結構型式